uwb测距原理:TWR双向测距一文详细介绍!
发布日期:2023-08-09 浏览次数:2131次
UWB测距主要指的是TWR双向测距。TWR是Two Way Ranging的英文缩写,意指双向测距。简单说:TWR测距就是uwb测距模块来回发送超宽带脉冲信号,通过计算出脉冲信号在两个uwb模块之间的飞行时间T,从而确定飞行距离S。
UWB测距原理
UWB测距主要采用双向测距(Two-way Ranging)方法,以下所有的方法都包括两个节点:uwb设备A和uwb设备B(uwb设备可以是uwb模块,或者uwb标签,uwb基站),默认uwb设备A是测距的发起者,uwb设备B是响应者。
TWR双向测距主要分为以下两种方法:
1、单边TWR双向测距(Single-sided Two-way Ranging)
2、双边TWR双向测距(Double-sided Two-way Ranging)
一、单边TWR双向测距(Single-sided Two-way Ranging)
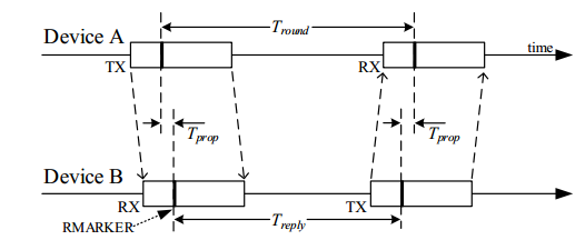
单边双向测距(Single-sided Two-way Ranging),单侧双向测距(SS-TWR)是对单个往返消息时间上的简单测量,uwb设备A主动发送数据到uwb设备B,uwb设备B返回数据响应uwb设备A。

图1:单边双向测距
测距流程:uwb设备A(Device A)主动发送(TX)数据,同时记录发送时间戳,uwb设备B(Device B)接收到之后记录接收时间戳;延时Treply之后,uwb设备B发送数据,同时记录发送时间戳,uwb设备A接收数据,同时记录接收时间戳。
所以可以拿到两个时间差数据,uwb设备A的时间差Tround和uwb设备B的时间差Treply,最终得到无线信号的飞行时间Tprop如下:

两个差值时间都是基于本地的时钟计算得到的,本地时钟误差可以抵消。但是不同uwb设备之间会存在微小的时钟偏移,假设uwb设备A和B的时钟偏移分别为eA和eB,因此得到的飞行时间会随着Treply的增加而增加,测距误差的方程如下:

Treply越小,uwb测距越准确。另外Treply不仅仅是uwb设备B接收到发送的时间,也包括装载数据和发送数据耗费的时间(UWB除了支持测距和定位之外,也可以传输数据,标准可以装载128字节,扩展模式可以装载1024字节数据。这里我们主要讲uwb测距)。
典型的误差关系如下表格所示:(1ns约等于30cm距离误差)

可以看出,随着Treply和时钟偏移的增加,会增加飞行时间的误差,从而使得uwb测距不准确。 因此单边uwb双向测距(SS-TWR)并不常用,但对于特定的应用,如果对于测距精度要求不是很高,但是需要更短的测距时间时,可以采用。
二、双边TWR双向测距(Double-sided Two-way Ranging)
双边TWR双向测距(Double-sided Two-way Ranging)是单边双向测距的一种扩展测距方法,记录了两个往返的时间戳,最后得到飞行时间。虽然增加了响应的时间,但会降低测距误差。
双边双向测距根据发送消息个数不同,分为两种方法:
4消息方式(4 messages)
3消息方式(3 messages)
(一)双边uwb双向测距4消息方式
分为两次测距,uwb设备A主动发起第一次测距消息,uwb设备B响应,得到4个时间戳;然后过了一段时间,uwb设备B主动发起测距,uwb设备A响应,同样得到4个不同的时间戳。最终可以得到如下四个时间差:
Tround1,Treply1;
Tround2,Treply2;

图2:双边TWR双向测距4消息方式
(二)双边双向测距3消息方式
相比较于4消息方式,省掉了第二次测距的发起动作,当uwb设备A收到数据之后,立刻返回数据,最终也可以得到如下四个时间差:
Tround1,Treply1;
Tround2,Treply2;

图3:双边TWR双向测距3消息方式
三、双边双向TWR测距——飞行时间计算方法
飞行时间计算方法,无论是4消息方式或者3消息方式,都可以使用如下公式计算:

四、双边双向测距飞行时间误差分析
以上uwb测距的机制都是非对称的测距方法,因为他们对于响应时间不要求是相同的。使用双边TWR双向测距4消息方式和双边TWR双向测距3消息方式的方法测距,即便使用20ppm的晶体,时钟误差也是在ps级别的。
误差公式如下:

uwb设备A以需要的频率Ka运行,uwb设备B以需要的频率Kb运行,Ka和Kb都是接近于数值1的。
为了搞清楚这个错误值的大小,如果uwb设备A和B以比较差的晶振(20ppm误差)运行,例如uwb设备A慢20ppm,uwb设备B快20ppm,或者反过来,这样将会导致总的误差在40ppm。
这样Ka和Kb可能是0.99998或者1.00002,即使UWB的工作距离范围较大,例如100m,无线信号空中飞行时间大概333ns,因为误差为:20 x 10e-6 x 333 x 10e-9 = 6.7 x 10e-12 = 6.7ps,换算为距离之后也仅仅2.2mm。
注意:响应时间是不需要相等的,也及时Treply1不一定要等于Treply2,这样对于MCU系统的处理带来了很多便利。
主要的误差来源一定是接收数据的时间戳是否正确,而不是晶体的ppm值。
五、双边双向测距(响应时间对称)
比较特殊的例子,双边双向测距方法响应时间对称,也就是Treply1和Treply2相等,飞行时间计算方法如下:

这种方法只是需要一些时间戳做加减法,然后除以4就可以得到飞行时间,但是可能需要更多的时间。另外这种方法的难点在于,怎么保证Treply1和Treply2是相等的。
此文来源于网络整理,如有错误等问题,可咨询微能信息小编。
六、uwb测距模块、uwb测距基站、uwb测距标签
uwb测距基站:VDU2506;
uwb测距工牌:VDU1501R。
uwb测距模块,UWB测距基站,uwb测距方案供应商,深圳市微能信息科技有限公司,http://www.buykq.cn

